Krková příruba
Kód: 4524/DN15 4524/DN20 4524/DN25 4524/DN32 4524/DN40 4524/DN50 4524/DN65 4524/DN80 4524/DN100 Zvolte variantuSouvisející produkty
Detailní popis produktu
Krková příruba je určena pro pevné a spolehlivé připojení potrubí pomocí svařování. Díky prodlouženému krku (nátrubku) umožňuje plynulý přechod mezi potrubím a přírubou. Příruba se navařuje na potrubí tupým svarem, což zajišťuje vysokou pevnost a těsnost i při vyšších tlacích a teplotách. Standardizované rozměry dle DN umožňují snadnou kompatibilitu s běžnými přírubovými spoji.
Hlavní výhody:
- vysoká pevnost a odolnost spoje
- materiál: 1.0352 (P245GH)
- jmenovitý tlak: PN 16
- plynulý přechod bez turbulence a ztrát
- dlouhá životnost a spolehlivost
- standardní rozměry dle DN (EN 1092-1)
Na poptání možno objednat příruby dle DIN 2633 nebo ČSN 131231.0

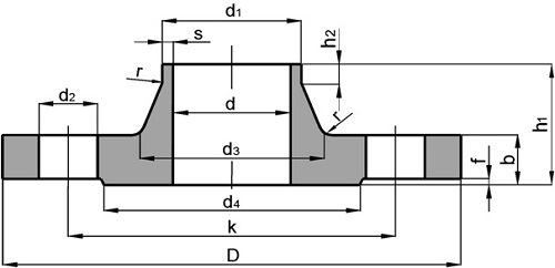
| Velikost | Rozměry | Šroubové otvory | Norma | |||||||||||
| Průměr trubky d1 | D | b | k | h1 | d3 | s | r | h2 | d4 | f | d2 | počet | ||
| DN15 | 21,3 mm | 95 mm | 16 mm | 65 mm | 38 mm | 32 mm | 2,0 mm | 4 mm | 6 mm | 45 mm | 2 mm | 14 mm | 4 | EN 1092-1 |
| DN20 | 26,9 mm | 105 mm | 18 mm | 75 mm | 40 mm | 40 mm | 2,3 mm | 4 mm | 6 mm | 58 mm | 2 mm | 14 mm | 4 | EN 1092-1 |
| DN25 | 33,7 mm | 115 mm | 18 mm | 85 mm | 40 mm | 46 mm | 2,6 mm | 4 mm | 6 mm | 68 mm | 2 mm | 14 mm | 4 | EN 1092-1 |
| DN32 | 42,4 mm | 140 mm | 18 mm | 100 mm | 42 mm | 56 mm | 2,6 mm | 6 mm | 6 mm | 78 mm | 2 mm | 18 mm | 4 | EN 1092-1 |
| DN40 | 48,3 mm | 150 mm | 18 mm | 110 mm | 45 mm | 64 mm | 2,6 mm | 6 mm | 7 mm | 88 mm | 3 mm | 18 mm | 4 | EN 1092-1 |
| DN50 | 60,3 mm | 165 mm | 18 mm | 125 mm | 45 mm | 74 mm | 2,9 mm | 5 mm | 8 mm | 102 mm | 3 mm | 18 mm | 4 | EN 1092-1 |
| DN65 | 76,1 mm | 185 mm | 18 mm | 145 mm | 45 mm | 92 mm | 2,9 mm | 6 mm | 10 mm | 122 mm | 3 mm | 18 mm | 4 (8) | EN 1092-1 |
| DN80 | 88,9 mm | 200 mm | 20 mm | 160 mm | 50 mm | 105 mm | 3,2 mm | 6 mm | 10 mm | 138 mm | 3 mm | 18 mm | 8 | EN 1092-1 |
| DN100 | 114,4 mm | 220 mm | 20 mm | 180 mm | 52 mm | 131 mm | 3,6 mm | 6mm | 12 mm | 158 mm | 3 mm | 18 mm | 8 | EN 1092-1 |
Diskuze
Buďte první, kdo napíše příspěvek k této položce.